Двигатель УЗАМ 412

УЗАМ-412 – бензиновый двигатель Москвич 412, который зарекомендовал себя как надежный и долговечный силовой агрегат, отличающийся экономичностью и простотой в обслуживании. Этот мотор продержался на конвейере с 1966 года до настоящего времени. За это время силовой агрегат претерпел существенную модернизацию и постоянно дорабатывался инженерами, что и позволило двигателю соответствовать требованиям времени.


Технические характеристики УЗАМ-412

Годы выпуска 1966 —
Вес 115 кг
Материал блока цилиндров алюминий
Система питания карбюратор
Тип рядный
Рабочий объем 1.5
Мощность 73,5 лошадиных силы
Количество цилиндров 4
Количество клапанов 2
Ход поршня 70
Диаметр цилиндра 82
Степень сжатия 9.5
Крутящий момент, Нм/об.мин 106 Нм / 3200
Экологические нормы ЕВРО 1
Топливо Аи 76
Расход топлива 8/100 км в смешанном цикле
Масло 5W-30 - 15W40
Объем масла 3,5 литра
При замене лить 3,2 литра
Замена масла проводится 20 тысяч км
Ресурс мотора  
— по данным завода 150
— на практике 200
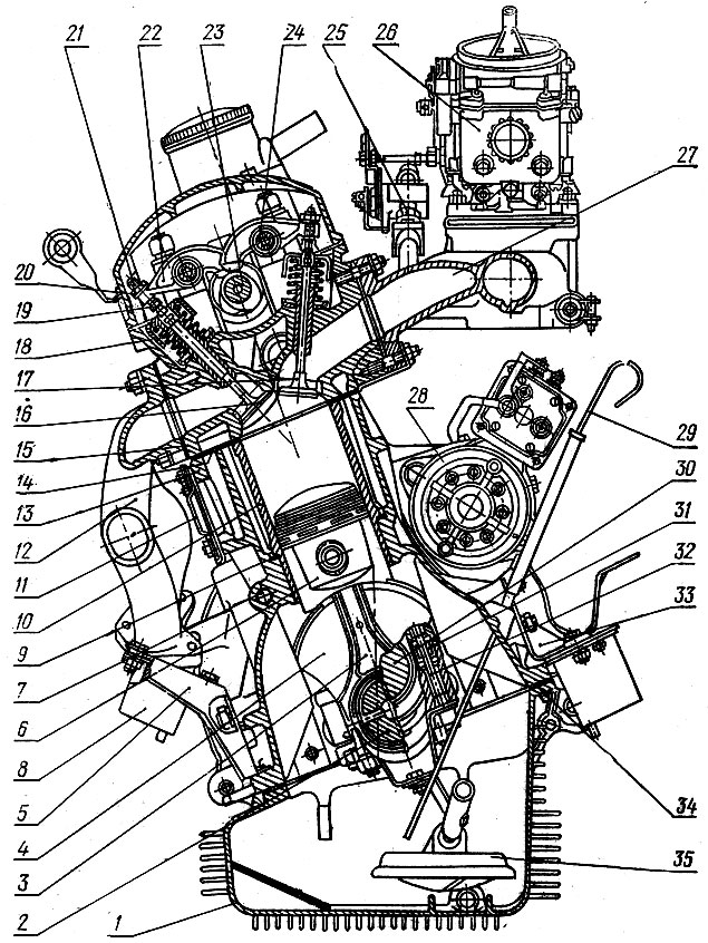
Двигатель УЗАМ 412Двигатель четырехцилиндровый, карбюраторной, с наклонным расположением цилиндров, рассчитанный для работы на бензине АИ-93. Блок цилиндров двигатель отлит из алюминиевого сплава. Внешние стенки гильз омываются охлаждающей жидкостью. В нижней части гильзы уплотняются прокладкой из меди, в верхней части - железоасбестовой прокладкой головки цилиндров. Цилиндры расположены в ряд и наклонены под углом 20° к вертикальной плоскости. Головка цилиндров общая, отлита из алюминиевого сплава. Она имеет рубашку охлаждения, крепится к блоку десятью шпильками. Между головкой и блоком помещена прокладка толщиной 1,75 мм. Коленчатый вал откован из стали, имеет противовесы и пять коренных шеек диаметром 60 мм и четыре шатунные диаметром 52 мм. Коренные и шатунные подшипники вала имеют сменные тонкостенные трехслойные вкладыши, изготовленные из стальной ленты, залитой с внутренней стороны свинцово-индиевым покрытием. На переднем торце установлена ведущая звездочка газораспределительного механизма, на заднем - маховик с напрессованным стальным зубчатым венцом для пуска двигателя стартером.
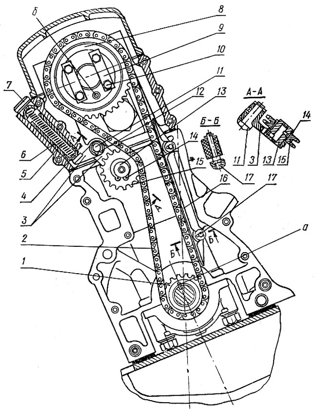
Газораспределительный механизм имеет конструктивные отличия. Распределительный вал смонтирован на головке цилиндров и приводится во вращение от ведущей звездочки двухрядной замкнутой втулочно-роликовой цепью. Ведомая звездочка установлена на фланце распределительного вала. Цепной привод имеет пластмассовый успокоитель 16 для гашения колебаний цепи и натяжное устройство, смонтированное на переднем торце головки цилиндров. Клапаны расположены наклонно по четыре в ряд в двух плоскостях под углом 52°; выпускные - с правой стороны, впускные - с левой. Поперечный разрез двигателя автомобиля Москвич-412 Поперечный разрез двигателя автомобиля 'Москвич-412': 1 - картер; 2 - шатунная шейка; 3 - шатун; 4 - противовес коленчатого вала; 5 - правый кронштейн передней опоры силового агрегата; 6 - поршень; 7 - горизонтальный масляный канал блока; 8 - подушка передней опоры; 9 - уплотнительная прокладка гильзы цилиндра; 10 - гильза цилиндра; 11 - крышка люка водяной рубашки; 12 - впускной трубопровод; 13 - блок цилиндров; 14 - прокладка головки блока; 15 - головка цилиндров; 16 - выпускной клапан; 17 - впускной клапан; 18 - клапанные пружины; 19 - наконечник регулировочного винта; 20 - контргайка; 21 - регулировочный винт; 22 - коромысло выпускного клапана; 23 - распределительный вал; 24 - ось коромысел впускных клапанов; 25 - кран отопителя кузова; 26 - карбюратор; 27 - впускной трубопровод; 28 - стартер; 29 - маслоизмерительный стержень; 30 - коренная шейка коленчатого вала; 31 - полый штифт; 32 - шпилька крышки коренного подшипника; 33 - левый кронштейн передней опоры силового агрегата; 34 - прокладка картера; 35 - маслоприемник масляного насоса. Продольный разрез двигателя автомобиля Москвнч-412 Продольный разрез двигателя автомобиля 'Москвнч-412': 1 - пробка; 2 - шатунные вкладыши; 3 - сегментная шпонка; 4 - ведущая звездочка газораспределительного механизма; 5 - масляный насос; 6 - распорная втулка; 7 - ведущая шестерня привода масляного насоса и распределителя зажигания; 8 - маслоотражатель; 9 - храповик; 10 - шкив; 11 - передний сальник; ,12 - крышка водяного канала; 13 - цепь привода газораспределительного механизма; 14 - шатун; 15 - натяжная звездочка; 16 - поршневой палец; 17- поршень; 18 - нижняя крышка привода газораспределительного механизма; 19 - верхняя крышка привода газораспределительного механизма; 20 - двуплечий рычаг; 21 - ведомая звездочка привода газораспределительного вала; 22 - упорный фланец распределительного вала; 23 - коромысло; 24 - шпилька крепления головки цилиндров; 25 - распределительный вал; 26 - крышка клапанного механизма; 27 - задняя крышка головки цилиндров; 28 - заглушка; 29 - головка цилиндров; 30 - прокладка головки цилиндров; 31 - блок цилиндров; 32 - гильза цилиндра; 33 - уплотнительная прокладка гильзы цилиндра; 34 - картер сцепления; 35 - сцепление; 36 - ведущий вал коробки передач; 37 - передний подшипник ведущего вала коробки передач; 38 - крышка заднего сальника; 39 - маховик; 40 - задний сальник; 41 - коренные вкладыши; 42 - коленчатый вал; 43 - упорное полукольцо коленчатого вала. Привод газораспределительного механизма автомобиля Москвич-412 Привод газораспределительного механизма автомобиля 'Москвич-412': 1 - ведущая звездочка; 2 - цепь; 3 - двуплечий рычаг; 4 - сухарь плунжера; 5 - натяжная пружина; 6 - плунжер; 7 - пробка; 8 - ведомая звездочка; 9 - стопорная пластина; 10 - болт; 11 и 13 - оси; 12 и 14 - пружинные кольца; 15 - натяжная звездочка; 16 - успокоитель цепи; 17 - ось успокоителя; а - шпонка; б - штифт распределительного вала.
Система охлаждения жидкостная, закрытая, с принудительной циркуляцией, создаваемой центробежным насосом. Пробка горловины радиатора герметична, снабжена двумя автоматическими клапанами, предохраняющими радиатор от повреждений как при кипении жидкости, так и при возникновении разрежения в системе вследствие конденсации паров охлаждающей жидкости. Выпускной клапан открывается при избыточном давлении 0,5 кгс/см2, при этом кипящая вода или пар отводятся через сливную трубку. Впускной клапан открывается при разрежении в системе 0,01 кгс/см2. Вследствие повышенного давления пара в системе вода закипает при температуре 107° С, т.е. двигатель в состоянии работать при более высоком тепловом режиме. Система смазки двигателя комбинированная: под давлением и разбрызгиванием. В отличие от автомобиля "Москвич-408" в системе смазки "Москвича-412" отсутствует масляный радиатор. Циркуляция масла в системе создается масляным шестеренчатым насосом. В системе имеется предохранительный (редукционный) клапан, который отрегулирован на максимальное давление 4 - 5 кгс/см2. Система смазки двигателя автомобиля Москвич-412 Система смазки двигателя автомобиля 'Москвич-412': 1 - вкладыш коренного подшипника; 2 - коленчатый вал; 3 - канал подвода масла к шатунному подшипнику; 4 - канал подвода масла к коренному подшипнику; 5 - главная масляная магистраль; 6 - канал подвода масла к головке блока цилиндров; 7 - блок цилиндров; 8 - головка блока цилиндров; 9 - канал подвода масла к задней опорной шейке распределительного вала; 10 - ось выпускных клапанов; 11- канал подвода масла в канал оси выпускных клапанов; 12 - распределительный вал; 13 - коромысло; 14 - канал для смазки ступицы коромысла; 15 - канал подвода масла во внутреннюю полость распредвала; 16 - канал подвода масла к средней опорной шейке распредвала; 17 - ось коромысел впускных клапанов; 18 - канал для смазки опорной пятки коромысел; 19 - ведомая звездочка привода газораспределительного механизма; 20 - канал подвода масла во внутреннюю полость оси впускных клапанов; 21 - канал подвода масла к упорному фланцу распредвала и на цепь; 22 - упорный фланец; 23 - канал подвода масла к передней опорной шайбе распределительного вала; 24 - втулочно-роликовая цепь; 25 - указатель давления масла; 26 - провод; 27 - привод масляного насоса; 28 - нижняя крышка картера привода газораспределительного механизма; 29 - крышка корпуса полнопоточного фильтра; 30 - датчик указателя, давления масла; 31 - перепускной клапан; 32 - фильтрующий элемент; 33 - корпус фильтра; 34 - пробка сливного отверстия; 35 - центральный болт; 36 - редукционный клапан; 37 - канал подвода к шестерням привода масляного насоса; 38 - масляный насос; 39 - трубка маслоприемника; 40 - маслоприемник; 41 - фильтрующая сетка маслоприемника; 42 - поддон картера. Вентиляция картера принудительная с отсосом картерных газов через шланг, соединяющий установленный на крышке головки блока маслозадивной патрубок с воздушным фильтром. Для очистки газов имеется фильтр из капронового волокна, укрепленный на крышке маслозаливного патрубка. Система питания состоит из топливного бака, топливного насоса, карбюратора, воздушного фильтра и трубопроводов.

Особенности двигателя

Среди владельцев 412 Москвича распространено заблуждение, что силовой агрегат их автомобиля является точной копией немецкого мотора от БМВ с индексом M10. Однако в действительности при разработке этого мотора использовались наработки, взятые с еще довоенного двигателя от немецкого Opel Kadett. В итоге в 1966 году был создан первый в Советском Союзе силовой агрегат, который имел верхнее расположение распредвала и три металлические вкладыша коленчатого вала. Мощность этого силового агрегата в своей первоначальной версии составляла 73,5 лошадиных силы. Алюминиевые двигатели Москвич 412 изготавливались полностью из алюминия, что было редкостью по тем временам. Использование алюминия приводило к некоторому удорожанию производства, однако сам силовой агрегат получился надежным и легким. Мотор с объемом в 1,5 литра изначально разрабатывался для низкооктанового бензина, поэтому Москвич 412 мог работать на 76 бензине. • Изначально рабочий объем двигателя составлял 1,5 литра, однако в конце восьмидесятых – начале девяностых годов была проведена кардинальная модернизация силового агрегата, что позволило предложить покупателям сразу три модификации с рабочими объемами от 1,6 до 1,8 литра. Определить какой двигатель можно поставить на Москвич автовладелец сможет по вин-номеру автомобиля. • Следует сказать, что трансмиссия от рестайлинговых версий мотора не подходит к первоначальной модификации этого двигателя. Новые модификации получились не столь надежными, и при этом они нестабильно работали на низкооктановом бензине, требуя от автовладельца заливать в бак 92 бензин. • Особенностью этого верхнеклапанного двигателя с мокрыми линзами стал наклон вправо блока цилиндров, который был отклонен от вертикали на 10 градусов. Подобный инженерный прием позволил уменьшить инерцию и снизить вибрацию двигателя на холостых оборотах. Коленвал изготавливался по кованой технологии, а цепь ГРМ позволила существенно повысить надежность конструкции. • Автовладелец был избавлен от необходимости частого обслуживания механизма ГРМ. Отметим и своеобразное расположение моторного отсека, который был завален вправо на 20 градусов, что упрощало обслуживание навесного оборудования. Сам двигатель, при этом, занимал меньше места в подкапотном пространстве Москвича. Подобная компоновка использовалась на многих американских автомобилях того времени. • Масляный картер двигателя выполнен с наружным и внутренним оребрением, что в свою очередь улучшало охлаждение масла. Силовой агрегат у Москвича 412 получился неприхотливым в обслуживании и требовал замены масла лишь раз в 20 тысяч километров. Отметим отличные показатели надежности двигателя, который мог без капремонта пробежать порядка 200 тысяч километров. Подобные показатели для мотора, выпущенного в семидесятых годах прошлого века, считались отличными, поэтому двигатель получил лестные отзывы у владельцев автомобиля. • Отличные мощностные показатели, а с 1,5 литра объема удалось снять 73,5 лошадиных силы, были достигнуты за счет использования оригинальной полусферической камеры, в которой топливо полностью сгорало, что увеличивало показатели КПД двигателя. Впоследствии подобная полусферическая камера сгорания использовалась и на других модификациях двигателей для Москвича. Подобные конструкторские решения использовались американскими и немецкими мотористами на автомобилях Chrysler и BMW.

Модификации УЗАМ 412

В последние года производства, на базе двигателя УЗАМ-412 были созданы серийные варианты рабочим объёмом 1,7, 1,8 и 2,0 л. для установки на автомобили Москвич-2141 «Святогор» и Иж-2126 «Ода», однако они не получили широкого распространения в связи с прекращением выпуска этих автомобилей. В 1990-е годы также существовали прототипы вариантов с четырьмя клапанами на цилиндр и распредёленным впрыском топлива. Наиболее совершенный двигатель УЗАМ-3320, разработанный совместно с фирмой AVL, развивал 115 л.с. Также двигатели УЗАМ за свою надёжность и ресурс получили распространение в семействе катеров «Амур» и «Восток». Использовались они и на автопогрузчиках. Во многом именно благодаря разработкам МЗМА на автомобилях ВАЗ двигатель имел верхний распредвал; на их прототипе — FIAT-124 — двигатель был нижневальным, как, например, на «Волге» или более ранних «Москвичах». Только после длительных переговоров и во многом благодаря стараниям главного конструктора АЗЛК Андронова итальянцы уступили требованиям советской делегации спроектировать двигатель более современной конструкции, что, впрочем, повлекло за собой определённые проблемы с ресурсом распределительного вала двигателей ВАЗ.
Автомобили Ниже приведены автомобили, на которые ставился данный двигатель (в скобках — годы производства автомобиля): • Москвич-412 (1967—1997) • Москвич-427 (1967—1976) • Москвич-434 • Москвич-2137 (1976—1985) • Москвич-2140 (1976—1988) • Москвич-2140SL (1980—1987) • Иж-2125 (1973—1997) • Иж-2715 (1972—2001) Модификации • УЗАМ 412 — 1,5 л. (дефорсированный) • УЗАМ 331.10 — 1,5 л. Двигатель с измененной компоновкой для автомобиля Москвич-2141 • УЗАМ 3317 — 1,7 л. (Аи-93) • УЗАМ 3313 — 1,8 л. (А-76) • УЗАМ 331460 — 1,7 л., аналог 3317 для Иж-2126 • УЗАМ 331430 — 1,8 л. (А-76), аналог 3313 для Иж-2126 • УЗАМ 3318 — 1,8 л. (Аи-93) От УЗАМ 3317 отличался коленчатым валом с увеличенным на 5 мм радиусом кривошипа (40 мм), ход поршня увеличился до 80 мм, диаметр цилиндра — 85 мм, мощность — до 90 лс при 5300 об/мин., крутящий момент — до 145 Н·м при 3200 об/мин, степень сжатия — 8,5. Устанавливался на Москвич-2141. • УЗАМ 3320 — 2,0 л. • УЗАМ 248 AVL — 2,.0 л. (инжектор)

Неисправности

Увеличенный расход топлива. Причиной подобного являлось неправильно выставленное зажигание и проблемы с карбюратором. Автовладельцу необходимо было проверить наличие искры и вскрыть карбюратор, что и позволяло установить причину поломки.
Появление выраженных вибраций в широком диапазоне оборотов. Прогорал выпускной коллектор и выходила из строя подушка двигателя. В первом случае вибрация сопровождалась заметным ревом мотора, а при проблемах с подушкой двигатель перекашивало в подкапотном пространстве.
Появление протечек масла. Прокладка головки блока цилиндров на этих автомобилях является слабым местом. Ее по рекомендации производителя меняли каждые 50 тысяч километров, однако даже так прокладки часто дубели и пропускали масло.
Мотор отказывается заводиться. Достаточно часто отмечались проблемы со стартером, который после зимы выходил из строя. Также не редкость проблемы с аккумулятором, который получал недостаточный заряд от генератора.

Тюнинг УЗАМ 412

Увеличение мощности двигателя Москвич 412 представляло определенные сложности. Так как изначально с 1,5 литра объема удалось выжать максимум возможного. В итоге при попытке форсировать двигатель существенно снижались его показатели надежности. Умельцы растачивали цилиндры, однако это способствовало быстрому прогоранию поршней, а тонкие стенки не выдерживали нагрузки, в итоге двигатель заклинивало, и ему требовался дорогостоящий ремонт. • Отчасти проблему решала установка нового современного навесного оборудования и перенастройка работы карбюратора. Подобный тюнинг давал прибавку в мощности порядка 20 лошадиных сил. Автомобиль резвее разгонялся, но и расход топлива у него увеличивался до 10 литров на сто километров пробега. • Возможен также свап двигателя, то есть его замена на новый мощный силовой агрегат. В данном случае можно было использовать модификации силовых агрегатов, выпущенных в конце девяностых годов. Необходимо было лишь определиться с тем, какой двигатель можно поставить на Москвич. • В начале девяностых годов большой популярностью стал пользоваться тюнинг этого мотора с использованием турбин небольшой мощности. В подкапотном пространстве было достаточно места для установки маломощной турбины, которая при условии замены коленвала и шатунов на более прочные, позволяла увеличить мощность двигателя до отметки в 100 лошадиных сил. • Ресурс мотора даже при квалифицированном вмешательстве снижался, поэтому выполнять капитальный ремонт требовалось приблизительно раз в 100 тысяч километров. Именно поэтому тюнинг этого мотора не получил широкого распространения. Кроме всего прочего увеличение мощности силового агрегата отрицательно сказывалось на показателях расхода топлива. Если в стандартном варианте расход топлива составлял порядка 7-8 литров, то после установки турбонаддува мотор начинал кушать по 13-15 литров на сотню пробега, что также не радовало многих автовладельцев.

Двигатель Москвич М-412 (дефектовка и обзор конструкции) - видео

Мифы про двигатель

Основной миф — двигатель "малооборотистый", так как у москвича довольно большие передаточные числа трансмиссии — он уверенно едет на низких оборотах, а благодаря убитому в большинстве случаев карбюратора никак не едет на высоких оборотах. По факту исправный УЗАМ мотор довольно азартные, на низких оборотах едет посредственно, но после 4000 оборотов даёт пинка под жопу и начинает ехать, затухание только на 6500 оборотов. В советское время даже была такая поговорка — Жигули до 60км/ч машина, москвич после. Второй миф — мотор крайне ненадёжный. Родился этот миф в середине 90х, когда на рынках стали появляться в изобилии запчасти кустарного производства по низкой цене, ну а оригинальные детали были просто дефицитом. По факту мотор легко мог проехать более 100000км даже на деталях сомнительного качества. Третий миф — постоянно ссыт маслом — это отмазка криворучек и идиотов. Многие упрощали систему вентиляции картера прямым шлангом, кинутым вниз, из за чего возрастало давление внутри картера. Даже в руководстве по ремонту написано -нельзя отключать систему вентиляции картера от корпуса воздушного фильтра, так как это увеличенит давление газов внутри картера и вызовет течь масла с сальников коленвала. Четвёртый миф — высокая ремонтопригодность, повторюсь, что практически любое вмешательство в двигатель означает его снятие. Пятый миф — двигатель копия БМВ — об этом говорилось в начале.

Какой был главный недостаток лучшего мотора СССР - УЗАМ-412? - видео

Советский двигатель "ВАЗ 2106" и "УЗАМ 412" какой был лучше? - видео

Читайте также на сайте: